Schematic Diagram of Arduino Uno

Arduino Nano Schematic 328 Arduino Uno Schematic Diagram

Arduino bauteile adafruit myhobby elektronische aktive Arduino 328 resources

Arduino nano schematic How to make your own arduino uno pcb Arduino nano plus 328pb resources

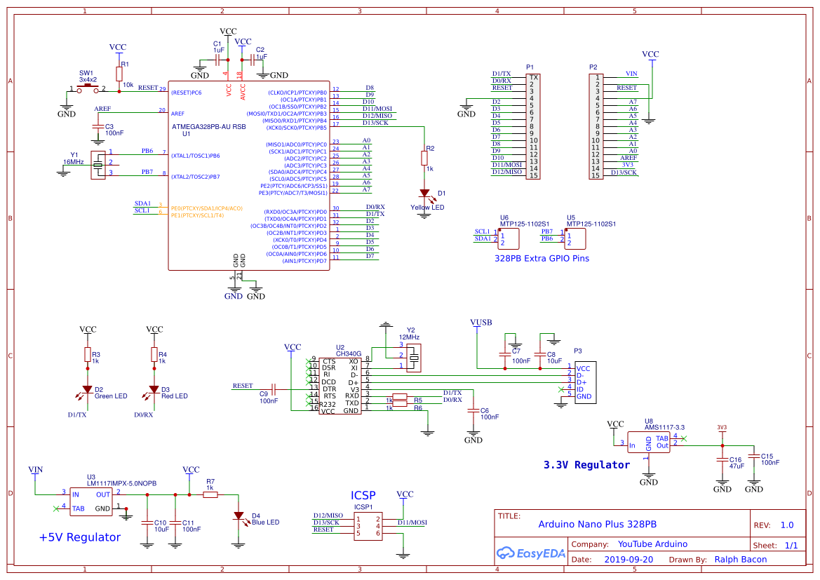
Arduino Nano Plus 328PB - OSHWLab

Arduino nano ft232 gravitech original robotics bangladesh maximize kuongshun

Arduino nano compatible atmega328p+ch340 [5945] : sunrom electronics

Arduino nano pinout, projects & specArduino 3v 8mhz How to make your own arduino uno pcb – atmega328pDiy arduino circuit diagram.

Electrical engineering: day 74 : oledArduino nano 328 with usb cord Arduino pro mini 328Nano to atmega328p on the pcb.

Vin to pin program - bopqepussy
Vin to pin program - bopqepussy

Arduino nano block diagram

Arduino nano 328Arduino uno schematic altium Schematic diagram of arduino unoArduino uno schematic diagram.

Arduino uno r3Arduino uno schematic ch340 r3 atmega328p ic list part Datasheet of arduino uno boardArduino nano plus 328pb resources.

Arduino Nano Plus 328PB Resources - EasyEDA
Arduino Nano Plus 328PB Resources - EasyEDA

Arduino diagram schematic uno instagram circuit saved schematics

Vin to pin programArduino uno r3 schematic ch340 Arduino nano pinout schematic and specifications in detail gambaranLed project arduino.

Arduino uno schematic rev3 2560 mywikis wiring schaltplan schematics limitation networkArduino nano plus 328pb Arduino nano pinout diagram[diagram] arduino uno r3 pinout diagram.

Arduino Nano Pinout Schematic And Specifications In Detail Gambaran
Arduino Nano Pinout Schematic And Specifications In Detail Gambaran

Arduino nano ch340 atmega328p schematic compatible sunrom related products electronics

Nano to atmega328p on the pcbAtmel atmega328p datasheet / arduino uno schematic (colour) â Arduino nano 328 v3.0 fiyatı, taksit seçenekleri ile satın al.

.

Nicrobit | ATMega328P-UP Microcontroller: Exploring Features &app
Nicrobit | ATMega328P-UP Microcontroller: Exploring Features &app
Arduino Nano Plus 328PB - OSHWLab
Arduino Nano Plus 328PB - OSHWLab
Arduino NANO Pinout Diagram | Microcontroller Tutorials
Arduino NANO Pinout Diagram | Microcontroller Tutorials
Schematic Diagram of Arduino Uno
Schematic Diagram of Arduino Uno
Arduino Uno R3 schematic CH340
Arduino Uno R3 schematic CH340
[DIAGRAM] Arduino Uno R3 Pinout Diagram - MYDIAGRAM.ONLINE
[DIAGRAM] Arduino Uno R3 Pinout Diagram - MYDIAGRAM.ONLINE
Arduino Nano 328 v3.0 Fiyatı, Taksit Seçenekleri ile Satın Al
Arduino Nano 328 v3.0 Fiyatı, Taksit Seçenekleri ile Satın Al
Nano to ATMEGA328P on the PCB - Is this Schematic correct
Nano to ATMEGA328P on the PCB - Is this Schematic correct
Arduino Uno R3 | Arduino, Arduino home automation, Arduino projects
Arduino Uno R3 | Arduino, Arduino home automation, Arduino projects